TEL:+86 15630072814

Hex Head Self-Clinching Screws | NFH & NFHS Series | PEM® Type

home > Products >Rivets & Fastening Solutions >PEM Nut > Hex Head Self-Clinching Screws | NFH & NFHS Series | PEM® Type

Hex Head Self-Clinching Screws | NFH & NFHS Series | PEM® Type

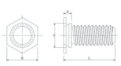
Hex head self-clinching screws are threaded fasteners manufactured through a cold heading process. Featuring a hexagonal head for tool engagement, their specially designed shank and collar enable them to be permanently pressed into ductile sheet metal, creating a strong, threaded standoff that requires no nut. This connection method offers advantages in both installation efficiency and structural strength.

Share:
DESCRIPTION
PRODUCT Tags
Anti-Loosening Mechanism
The anti-loosening feature of hex head self-clinching screws primarily relies on the hexagonal locking feature of the head, which is achieved through machining processes. This structure enhances the stability of the threaded connection but results in higher production costs and increased installation complexity.

Structural Characteristics
The head features a standard hexagonal shape with a smooth surface and no recess, similar to the threaded portion of a hex head bolt, but with significant differences in head design. In contrast, socket head cap screws have a circular head with a hexagonal recess, and common variants include button head, pan head, and flat head styles. Headless screws and set screws also fall into this category.

Hex Head Self-Clinching Screws | NFH & NFHS Series | PEM® Type
Parameter
 
Hex Head Self-Clinching Screws | NFH & NFHS Series | PEM® Type
Hex Head Self-Clinching Screws | NFH & NFHS Series | PEM® Type
 

Application Scenarios

Automotive Manufacturing: Used for connecting body panels and sheet metal components.

Electronic Devices: Secure fastening for housings of precision instruments.

Building Curtain Walls: Assembly of metal frame structures.

Rail Transportation: Installation of vehicle interior components.

 



 

If you are interested in our products, you can choose to leave your information here, and we will be in touch with you shortly.