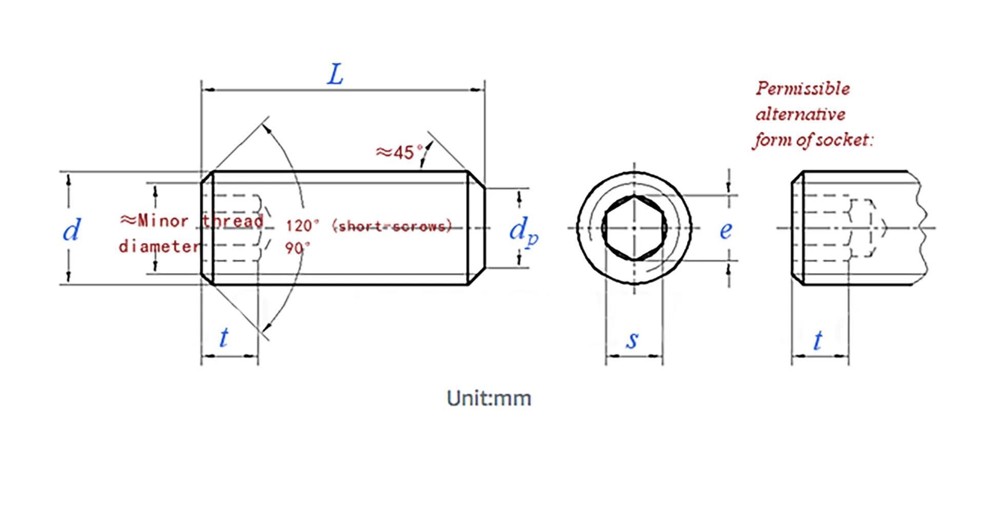
Hex Socket Cup Point Set Screws DIN 913 | Alloy Steel | Shaft Fixing
Set screws are headless screws that axially secure and prevent rotation by embedding their tapered or grooved ends into the surface of fastened components.
Core Functions:
Fix circumferential position between shafts and hubs (e.g., gears, pulleys)
Prevent axial displacement of bearings, couplings, etc.
Simplify assembly by replacing key connections

|
Part |
Type |
Application Scenario |
|
Drive Type |
Hex Socket |
High-torque fastening (most common) |
|
|
Slotted/Phillips |
Light-duty, cost-sensitive scenarios |
|
Tip Style |
Cup Point |
High vibration resistance (embed depth: 0.5-1mm) |
|
|
Flat Point |
Surface protection (avoids indentation) |
|
|
Dog Point |
Precision alignment (cylindrical tip for guidance) |
|
|
Nylon Insert |
Anti-loosening (vibration environments) |
Product Parameter
|
Item |
Standard Range |
Remarks |
|
Material |
Carbon Steel (4.8/8.8/12.9) |
Grade 12.9: Tensile ≥1220MPa |
|
|
Stainless (A2-70/A4-80) |
A4-80: Seawater corrosion-resistant |
|
Surface Treatment |
Zinc Plated, Black Oxide |
Zinc ≥5μm (48h salt spray test) |
|
|
Dacromet Coating |
Salt spray >480h (heavy corrosion resistance) |
|
Thread Size |
M1.6 - M24 |
Fine thread (M8×0.75) enhances anti-loosening |
|
Torque Requirements |
M6 Screw: 5-7 N·m |
Use threadlocker for vibration resistance |

