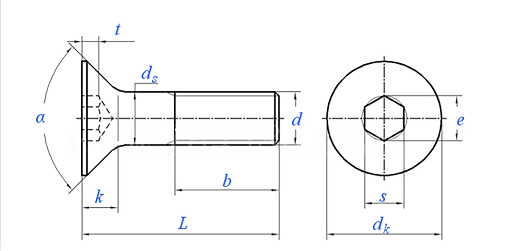
DIN 7991 A2-70 A4-80 Stainless Steel Countersunk Head Hex Socket Bolt | ISO 2009



Key Applications:
· Machinery & Equipment
Assembly of precision machinery where flat surface profiles are critical.Fastening components in engines, conveyor systems, and industrial tools.
· Electronics & Electrical Engineering
Securing internal components in control cabinets, servers, and high-value electronic devices.Mounting fixtures in LED lighting systems and electrical enclosures.
· Automotive & Transportation
Attaching body panels, chassis parts, and interior trim where a smooth surface is required.Use in railway vehicles and marine equipment due to corrosion resistance (e.g., A4-316 stainless grade).